BIẾN TẦN LÀ GÌ ?
Cấu tạo và chức năng của biến tần
Ứng dụng của biến tần và những lợi ích biến tần đem lại

6 +
Năm kinh nghiệm
30.000 +
Sản phẩm bán ra
1000 +
Khách hàng

BIẾN TẦN LÀ GÌ - CHỨC NĂNG BIẾN TẦN
CẤU TẠO VÀ CÔNG DỤNG BIẾN TẦN ĐEM LẠI

BIẾN TẦN LÀ GÌ

Những thương hiệu biến tần Trung Quốc nổi tiếng hiện nay.

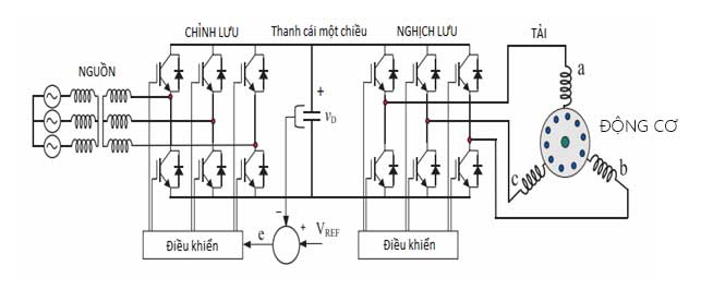
Biến tần (Inverter) là một thiết bị điện tử dùng để điều chỉnh tần số và điện áp của nguồn điện xoay chiều (AC), giúp kiểm soát tốc độ quay và mô-men xoắn của động cơ điện một cách linh hoạt. Nó hoạt động bằng cách chuyển đổi dòng điện xoay chiều từ lưới điện thành dòng điện một chiều (DC) thông qua bộ chỉnh lưu, sau đó sử dụng bộ nghịch lưu để biến đổi thành dòng xoay chiều với tần số và điện áp có thể điều chỉnh theo yêu cầu.

NGUYÊN LÝ HOẠT ĐỘNG CỦA BIẾN TẦN

  • Nguyên lý cơ bản làm việc của bộ biến tần cũng khá đơn giản. Đầu tiên, nguồn điện xoay chiều 1 pha hay 3 pha được chỉnh lưu và lọc thành nguồn 1 chiều bằng phẳng. Công đoạn này được thực hiện bởi bộ chỉnh lưu cầu diode và tụ điện. Nhờ vậy, hệ số công suất cosphi của hệ biến tần đều có giá trị không phụ thuộc vào tải và có giá trị ít nhất 0.96. Điện áp một chiều này được biến đổi (nghịch lưu) thành điện áp xoay chiều 3 pha đối xứng. Công đoạn này hiện nay được thực hiện thông qua hệ IGBT (transistor lưỡng cực có cổng cách ly) bằng phương pháp điều chế độ rộng xung (PWM). Nhờ tiến bộ của công nghệ vi xử lý và công nghệ bán dẫn lực hiện nay, tần số chuyển mạch xung có thể lên tới dải tần số siêu âm nhằm giảm tiếng ồn cho động cơ và giảm tổn thất trên lõi sắt động cơ.

    cấu tạo biến tần
  • Hệ thống điện áp xoay chiều 3 pha ở đầu ra có thể thay đổi giá trị biên độ và tần số vô cấp tuỳ theo bộ điều khiển. Theo lý thuyết, giữa tần số và điện áp có một quy luật nhất định tuỳ theo chế độ điều khiển. Đối với tải có mô men không đổi, tỉ số điện áp - tần số là không đổi. Tuy vậy với tải bơm và quạt, quy luật này lại là hàm bậc 4. Điện áp là hàm bậc 4 của tần số. Điều này tạo ra đặc tính mô men là hàm bậc hai của tốc độ phù hợp với yêu cầu của tải bơm/quạt do bản thân mô men cũng lại là hàm bậc hai của điện áp.

  • Hiệu suất chuyển đổi nguồn của các bộ biến tần rất cao vì sử dụng các bộ linh kiện bán dẫn công suất được chế tạo theo công nghệ hiện đại. Nhờ vậy, năng lượng tiêu thụ xấp xỉ bằng năng lượng yêu cầu bởi hệ thống.

  • Ngoài ra, biến tần ngày nay đã tích hợp rất nhiều kiểu điều khiển khác nhau phù hợp hầu hết các loại phụ tải khác nhau. Ngày nay biến tần có tích hợp cả bộ PID và thích hợp với nhiều chuẩn truyền thông khác nhau, rất phù hợp cho việc điều khiển và giám sát trong hệ thống SCADA.

PHÂN LOẠI BIẾN TẦN

Biến tần có nhiều loại, nếu chia theo nguồn điện đầu vào ta có 2 loại cơ bản là: Biến tần cho động cơ 1 pha và biến tần cho động cơ 3 pha. Trong đó, biến tần cho động cơ 3 pha được sử dụng rộng rãi hơn.

Xem sản phẩm: Biến tần giá tốt nhất tới từ thương hiệu USFULL

HƯỚNG DẪN LỰA CHỌN BIẾN TẦN

  • Để lựa chọn được loại biến tần phù hợp cho ứng dụng của bạn, cần xác định rõ nhu cầu ứng dụng, mục đích sử dụng và cân đối mức đầu tư. Để chọn được loại biến tần phù hợp nhất với yêu cầu sử dụng, cần lưu ý những nguyên tắc lựa chọn sau đây:

  • Chọn biến tần phù hợp với loại động cơ và công suất động cơ: tìm hiểu loại động cơ mình cần lắp biến tần là động cơ gì, đồng bộ hay không đồng bộ, 1 pha hay 3 pha, DC hay AC, điện áp bao nhiêu… để chọn biến tần phù hợp. Công suất biến tần phải chọn tương đương hoặc lớn hơn công suất động cơ

  • Chọn biến tần theo yêu cầu ứng dụng: khi lựa chọn biến tần cần xác định rõ ứng dụng của bạn là gì? Tốc độ yêu cầu bao nhiêu? Có yêu cầu tính năng điều khiển cao cấp đặc biệt nào hay không? Có yêu cầu tính đồng bộ hệ thống hay truyền thông? Môi trường làm việc có đặc điểm nào cần lưu ý (ẩm ướt, nhiệt độ cao, nhiều bụi, dễ cháy nổ….). Nếu không có yêu cầu gì đặc biệt, có thể chọn loại biến tần đa năng thông dụng như EDS300 hoặc ENA100 hoặc EN500(công suất 75Kw-1000Kw), tuy nhiên nếu có yêu cầu đặc biệt cần chọn các loại biến tần có tính năng phù hợp với yêu cầu.

  • Chọn biến tần theo tải thực tế: Việc chọn lựa biến tần theo tải là một việc rất quan trọng. Việc đầu tiên là bạn phải xác định được loại tải của máy móc là loại nào: tải nhẹ hay tải nặng, tải trung bình và chế độ vận hành là ngắn hạn hay dài hạn, liên tục hay không liên tục… từ đó chọn loại biến tần phù hợp.

  • Chọn biến tần thuận tiện cho người lập trình khi lập trình điều khiển hoặc chọn nhà cung cấp có khả năng hỗ trợ lập trình cho các ứng dụng của bạn.

  • Chọn biến tần theo đúng thông số kỹ thuật của biến tần cũ (trong trường hợp thay thế hãng khác) hoặc theo thông số kỹ thuật thiết kế yêu cầu.

  • Và cuối cùng, đừng quên cân nhắc đến yếu tố tài chính. Để an tâm hãy chọn loại biến tần đã có uy tín và thông dụng trên thị trường, chế độ bảo hành tốt, chất lượng sản phẩm ổn định, bền bỉ và dịch vụ sửa chữa và chăm sóc khách hàng nhanh chóng, luôn hỗ trợ KH hết sức từ SNS AUTOMATION.

    Biến tần tại Sắc Năm Sơn

LỢI ÍCH BIẾN TẦN ĐEM LẠI KHI SỬ DỤNG

Ngày nay bộ biến tần không còn là một thứ xa xỉ tốn kém chỉ dành cho những doanh nghiệp có nguồn lực tài chính dồi dào, những lợi mà biến tần mang lại cho bạn vượt xa rất nhiều so với chi phí bạn phải trả. Do đó, biến tần đang dần trở thành thiết bị không thể thiếu trong mỗi nhà máy. Những lợi ích của việc sử dụng biến tần INVT bao gồm:

  • Thay đổi tốc độ động cơ linh hoạt, đáp ứng yêu cầu công nghệ.

  • Tiết kiệm năng lượng hiệu quả, bảo vệ các thiết bị điện trong cùng hệ thống.

  • Bảo vệ động cơ, giảm mài mòn cơ khí.

  • Tăng hiệu quả và năng suất sản xuất.

NHỮNG ĐIỀU LƯU Ý KHI SỬ DỤNG BIẾN TẦN

Điều đầu tiên bạn cần làm khi sử dụng biến tần là đọc kỹ các thông số biến tần do hãng sản xuất cung cấp riêng cho từng dòng sản phẩm, điều đó sẽ giúp bạn biết rõ cách đấu dây biến tần đúng quy chuẩn. Để chắc chắn, bạn nên để các đơn vị uy tín có các kỹ sư chuyên môn cao lắp đặt và đấu nối cho bạn. Bên cạnh đó bạn cần tìm hiểu các tính năng phụ của sản phẩm như kháng bụi, kháng nước, chống ăn mòn, nút dừng khẩn cấp, khả năng mở rộng… để lắp đặt, sử dụng và bảo dưỡng thiết bị một cách an toàn và hiệu quả.

  • Thay đổi tốc độ động cơ linh hoạt, đáp ứng yêu cầu công nghệ.

  • Tiết kiệm năng lượng hiệu quả, bảo vệ các thiết bị điện trong cùng hệ thống.

  • Bảo vệ động cơ, giảm mài mòn cơ khí.

  • Tăng hiệu quả và năng suất sản xuất.

CÁC THƯƠNG HIỆU BIẾN TẦN PHỔ BIẾN TẠI VIỆT NAM HIỆN NAY

1. BIẾN TẦN XUẤT XỬ CHÂU ÂU

  • Biến tần ABB: thành lập từ năm 1988 tại Zurich, Thụy Sỹ. ABB là một trong những hãng biến tần phổ biến tại Việt Nam. Hiện nay ABB hoạt động trong 5 lĩnh vực: thiết bị điện, hệ thống điện, tự động hóa và truyền động, tự động hóa quy trình và thiết bị điện hạ thế.

    biến tần ABB
  • Biến tần Siemens: được thành lập từ những năm 1847 tại Berlin - Đức, Siemens là tập đoàn công nghệ điện và điện tử toàn cầu. Siemens hoạt động tại hơn 200 quốc gia và tập trung vào các lĩnh vực điện khí hóa, tự động hóa và số hóa.

    biến tần Siemens
  • Biến tần SCHNEIDER: là dòng biến tần xuất xứ Pháp, có các nhà máy sản xuất tại Pháp, Trung Quốc và Indonesia, đây là một trong những dòng biến tần thương hiệu châu Âu phổ biến nhất thị trường Việt Nam hiện nay.

    biến tần schneider
  • Biến tần DANFOSS: là dòng biến tần xuất xứ Đan Mạch, có chỉ số chống nước vượt trội, được sản xuất tại Đan Mạch và Trung Quốc.

    biến tần DANFOSS
  • Ngoài ra, còn một số hãng biến tần có thị phần ít hơn như Emerson, NIDEC, Keb, Vacon, Lenze, GE Funuc, Control Technique, Telemecanique, Allen…

2. BIẾN TẦN XUẤT XỨ TỪ NHẬT BẢN

  • Một số hãng biến tần xuất xứ Nhật Bản như Yaskawa, Mitsubishi, FuJi, Panasonic, Hitachi, Toshiba… được sản xuất tại Nhật Bản và Trung Quốc. Các hãng biến tần Nhật Bản tuy giá thành khá cao nhưng lại được tin dùng nhờ chất lượng tốt, hoạt động ổn định, đặc biệt một số loại có chức năng chuyên dụng.

    biến tần Mitsubishi

3. BIẾN TẦN TỚI TỪ HÀN QUỐC

  • Hãng biến tần xuất xứ Hàn Quốc phổ biến tại Việt Nam hiện nay là LS. Biến tần này có giá thành tương đối thấp so với các dòng biến tần xuất xứ Nhật Bản và châu Âu.

    Biến tần LS

4. BIẾN TẦN XUẤT XỬ TỪ ĐẠI LOAN

  • Đại diện tiêu biểu của biến tần xuất xứ Đài Loan là DeltaShihlin. Đây là 2 dòng biến tần khá phổ biến tại thị trường Việt Nam, được sản xuất tại Đài Loan và Trung Quốc.

    Biến tần Delta

5. BIẾN TẦN XUẤT XỨ TỪ TRUNG QUỐC

  • Việt Nam là thị trường tiêu thụ rất nhiều mặt hàng xuất xứ Trung Quốc, trong đó có biến tần. Trước đây, biến tần Trung Quốc thường bị đánh đồng là hàng chất lượng kém, giá thấp. Tuy nhiên với sự phát triển của công nghệ hiện đại và sự đầu tư vào nghiên cứu phát triển, chất lượng biến tần Trung Quốc ngày nay thậm chí được đánh giá không thua kém các hãng khác. Có rất nhiều dòng biến tần Trung Quốc được du nhập vào Việt Nam như biến tần ENC, INVT, Sumo, Inovance, Veichi, Sinee, Gtake, Powtran, Alpha, Sunfar, Rexrorth, Lion, Hedy, Saj, Chziri, Micno, Chinsc, Senlan… với giá từ trung bình đến rất rẻ, nhưng để chọn được dòng biến tần chất lượng tốt, uy tín và giá cả hợp lý thật sự là bài toán nan giải với người sử dụng.

  • Biến tần USFULL được đánh giá là dòng biến tần Trung Quốc chất lượng cao nằm trong những thương hiệu biến tần được sự dụng nhiều nhất tại thị trường Trung Quốc, với sáu năm liền nằm trong top 10 thương hiệu biến tần được sự dụng phổ biến nhất tại thị trường tỷ dân với uy tín đã được chứng minh trong suốt hơn 18 năm qua. Hiện nay, biến tần USFULL được tin dùng trên 48 quốc gia, có nhà máy với quy mô 37,000 mét vuông ở khu công nghệ cao Thẩm Quyến, với 228 văn phòng dịch vụ trên toàn thế giới với 158 đội kỹ sư R&D và 615,058 khách hàng dùng cuối trên toàn cầu. Tại Việt Nam, ENC đã có mặt tại hai tỉnh thành TP. Hà Nội, TP HCM (Công ty TNHH tự động hóa Sắc Năm Sơn) và các đại lý tại Cần Thơ , Đà Nẵng với thời gian bảo hành lên đến 24 tháng.

    Nội dung liên quan: Các dòng biến tần USFULL phổ biến nhất hiện nay (Update 2022)

MUA BIẾN TẦN USFULL Ở ĐÂU

  • Công ty TNHH tự động hóa Sắc Năm Sơn là đại lý biến tần USFULL tại Việt Nam. Bên cạnh đó USFULL cũng là Nhà phân phối chính thức các loại thiết bị điện nhờ relay, cầu đấu...của DEGSON tại Việt Nam. SNS AUTOMATION CO .,LTD không chỉ là nhà phân phối thiết bị mà chúng tôi chuyên cung cấp các giải pháp tự động tại Việt Nam trong lĩnh vực Tự động hóa.

  • Với hơn 6 năm phát triển, SNS AUTOMATION CO., LTD nhận được sự tin tưởng, hợp tác của hơn 1.000 khách hàng trên toàn quốc và là nhà cung cấp có số lượng biến tần được bán ra lớn tại thị trường Việt Nam.

Degson
Mitsubishi
Autonics
IO-Link
Pisco
Himel
SNS AUTOMATION
SNS AUTOMATION

Bạn cần hỗ trợ !

SNS AUTOMATION Với đội ngũ kĩ thuật giàu kinh nghiệm.
Sẵn sàng hỗ trợ khách hàng

Tìm kiếm sản phẩm

Bạn cần tìm kiếm sản phẩm: Biến tần, cảm biến, PLC, phụ kiện ngành điện...
Vui lòng gõ vào đây nhé

Vị trí công ty

Lầu 17 Tòa nhà Sen Hồng A12 QL1A, Bình Chiểu, Thủ Đức, Thành phố Hồ Chí Minh
Dưới lây là liên kết vị trí bản đồ Map

Biến tần

Nhận yêu cầu từ KH

Bạn muốn yêu cầu báo giá
Vui lòng nhập thông tin của bạn gồm: Tên, SĐT, Tên công ty, Mã hàng tại đây